Van giảm áp là một van áp suất có tác dụng giữ áp suất đầu ra của van ở một giá trị thiết lập sẵn thấp hơn áp suất đầu vào. Điểm khác nhau cơ bản giữa van giảm áp và các van áp suất đầu vào (van an toàn, van tràn) là thiết lập áp suất tại đầu ra của van. Có 2 dạng van giảm áp.
Dạng 1: Thiết lập quan hệ áp suất đầu vào và đầu ra của van P1 và P2
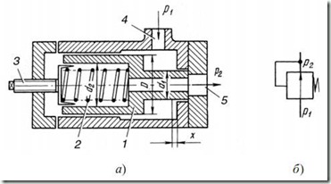
Cấu tạo của van: gồm phần tử điều khiển dạng ống trượt 1, ống trượt này bị ép vào đế bởi lò xo 2, lực ép của lò xo 2 được điều chỉnh bởi vít xoay 3. Cửa 4 của vỏ van nối với ống dẫn áp suất cao, cửa 5 của van nối với ống dẫn áp suất thấp. Ở vị trí ban đầu của van là vị trí bị ép vào đế đỡ, cửa vào và cửa ra không được thông nhau. Khi tăng áp suất cửa vào P1, áp suất P1 càng lớn tiết diện thông nhau giữa 2 cửa càng lớn và áp suất P2 càng lớn.
Quan hệ giữa áp suất đầu vào và đầu ra của van thể hiện bằng biểu thức dưới, lực lò xo ban đầu Pnpvà C độ cứng của lò xo.
Dạng 2: Giữ cố định áp suất P2 tại cửa ra của van – vì vậy có thể gọi là van ổn áp
Van giảm áp dạng này giữ cố định áp suất tại cửa ra của van mà không phụ thuộc vào độ biến động áp suất của dòng chất lỏng tới hoặc đi khỏi van. Có 2 loại van dạng 2: van tác động trực tiếp và van tác động gián tiếp.
Van tác động trực tiếp
1- Vỏ van, 2 – phần tử điều khiển, 3 – lò xo, 4 – vít điều chỉnh, 5 – rãnh nối, 6 – thùng chứa.
Tại vị trí ban đầu van mở hoàn toàn, độ rộng cửa ra thiết lập bởi vít 4. Tác dụng của van là hầu như giữ không đổi giá trị P2 tại cửa ra.
Giả sử vì một lý do nào đó trong hệ thủy lực làm P2 tăng. Khi đó áp suất khoang trống nối với cửa ra của van bằng rãnh 5 cũng tăng lên, đẩy phần tử điều khiển đi lên trên, kết quả là làm giảm tiết diện cửa thoát, dẫn tới làm giảm P2 . Trường hợp P2 giảm thì phần tử điều khiển đi xuống làm tăng tiết diện cửa thoát kéo theo tăng P2 Như vậy quá trình này làm cho P2 gần như không đổi.
Van giảm áp tác động gián tiếp.
Cấu tạo : gồm phần tử điều khiển chính - ống trượt 1, ống trượt có dạng trụ với các đoạn có kích thước khác nhau (hình dưới), lò xo cố định 2 với độ cứng nhỏ, phần tử điều khiển phụ 5 ở dạng van bi trượt. Lực nén của lò xo 4 ở van phụ có thể điều chỉnh bởi vít xoay 3. Vỏ của van có các rãnh nối khoang 7 và 8 với cửa ra của van. Ống trượt 1 có rãnh 9 nối liền khoang 6 với khoang 8.
Lò xo 4 thiết lập một áp suất lớn hơn áp suất cửa vào của van P1 , khi đó ống trượt 1 ở vị trí ban đầu (nhìn hình ). Trong trường hợp khoang 6, 7 và 8 có cùng áp suất là P1, khoang 10 nối với khoang 11, khi đó chất lỏng chảy tự do qua van (tính chất giảm áp - ổn áp không được thể hiện).
Khi thiết lập lò xo 4 một giá trị P2>P1,van phụ dạng bi trượt sẽ mở và chất lỏng từ khoang 6 thoát ra thùng chứa một lượng nhỏ. Nhờ đó dòng chảy qua rãnh 9 được tạo thành, cùng với nó trở lực thủy lực bị mất đi. Kết quả là áp suất ở khoang 6 tụt và ống trượt chính bị nâng lên, làm giảm tiết diện thông nhau giữa khoang 10 và 11.Vì thế mà áp suất trong khoang 11, 8 và 7 giảm xuống, tác động vào ống trượt và làm tăng tiết diện thông nhau giữa khoang 10 và 11. Quá trình đó lặp đi lặp lại, làm cho ống trượt thực hiện dao động quanh vị trí thiết lập. Mọi sự thay đổi áp suất ở cửa vào hoặc cửa ra của van đều kéo theo sự di chuyển của ống trượt. Tóm lại tại cửa ra áp suất được giữ cố định.
Trong van dạng này khoang 7 là một rãnh hẹp, nối khoang với cửa ra có tác dụng như một thiết bị chống rung và làm giảm dao động.

EmoticonEmoticon